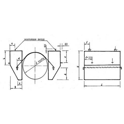
УБО 720 утяжелители охватывающего типа
Характеристики изделия:
| Параметр | Значение |
|---|---|
| длина | 1500 мм |
| ширина | 550 мм |
| высота | 1100 мм |
| масса | 3358 кг |
| нормативный документ | ВСН 007-88 |
Цена:
Рассчитать стоимостьУБО 720 Утяжелители бетонные охватывающего типа ВСН 007-88.
