КО

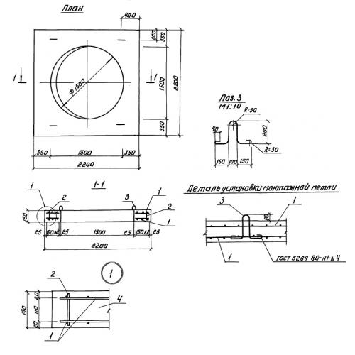
Чертеж изделия:
Характеристики изделия:
ПараметрЗначение
длина2200 мм
ширина2200 мм
высота150 мм
вес1180 кг
серияТПР 902-09-22.84

КО Плиты по проекту ТПР 902-09-22.84.