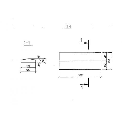
ПП 4 плиты парапетные

Чертеж изделия:
Характеристики изделия:
ПараметрЗначение
длина500 мм
ширина180 мм
высота45 мм
масса7,5 кг
нормативный документСерия Б 3.300.1-5.04

ПП 4 Плиты парапетные по Серии Б 3.300.1-5.04.