КН-1
Характеристики изделия:
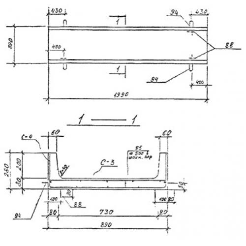
| Параметр | Значение |
|---|---|
| длина | 1990 мм |
| ширина | 890 мм |
| высота | 280 мм |
| масса | 500 кг |
| нормативный документ | Серия 3.903 КЛ-14 |
Цена:
Рассчитать стоимостьКН-1 Каналы непроходные по Серии 3.903 КЛ-14.
| Параметр | Значение |
|---|---|
| длина | 1990 мм |
| ширина | 890 мм |
| высота | 280 мм |
| масса | 500 кг |
| нормативный документ | Серия 3.903 КЛ-14 |
КН-1 Каналы непроходные по Серии 3.903 КЛ-14.
