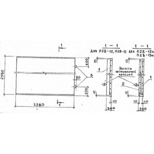
П 28 плиты лотков

Чертеж изделия:
Характеристики изделия:
ПараметрЗначение
длина2990 мм
ширина3380 мм
высота300 мм
масса7580 кг
нормативный документСерия 3.006.1-2/87

П 28 Плиты перекрытия лотков Серия 3.006.1-2/87.