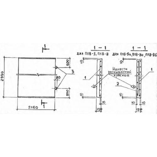
П 18 плиты лотков

Чертеж изделия:
Характеристики изделия:
ПараметрЗначение
длина2990 мм
ширина2160 мм
высота150 мм
масса2420 кг
нормативный документСерия 3.006.1-2/87

П 18 Плиты перекрытия лотков Серия 3.006.1-2/87.