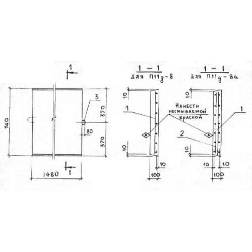
П 11 д

Чертеж изделия:
Характеристики изделия:
ПараметрЗначение
длина740 мм
ширина1480 мм
высота100 мм
масса270 кг
нормативный документСерия 3.006.1-2/82

П 11 д  Плиты перекрытия лотков доборные Серия 3.006.1-2/82.