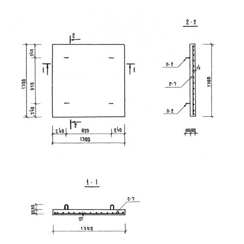
ПТП 13.13

Чертеж изделия:
Характеристики изделия:
ПараметрЗначение
длина1300 мм
ширина1300 мм
высота80 мм
вес338 кг
серия1.243-2

ПТП 13.13 Плиты плоские по серии 1.243-2.