ЛП-24.21

Чертеж изделия:
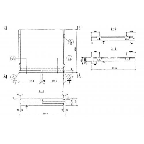
Характеристики изделия:
ПараметрЗначение
длина2380 мм
ширина2200 мм
высыота320 мм
вес2620 кг
серия1.152-7

ЛП-24.21 Лестничные площадки ребристые по серии 1.152-7.