В1.3-35.27.12-2.1

Чертеж изделия:
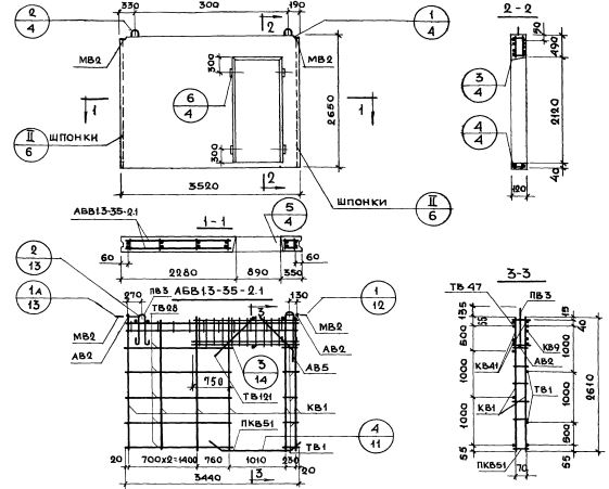
Характеристики изделия:
ПараметрЗначение
длина3520 мм
ширина120 мм
высота2650 мм
масса2220 кг
нормативный документСерия 1.131-1

В1.3-35.27.12-2.1    Внутренние стеновые панели   (Серия 1.131-1).