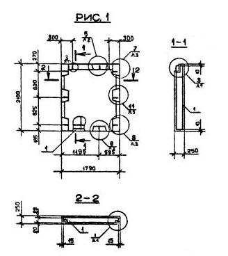
ПСЦ 18.21.2,5-П-С
Характеристики изделия:
| Параметр | Значение |
|---|---|
| длина | 1790 мм |
| ширина | 250 мм |
| высота | 2100 мм |
| масса | 940 кг |
| нормативный документ | Серия 1.090.1-2с |
Цена:
Рассчитать стоимостьПанели наружных стен нулевого цикла однослойные (Серия 1.090.1-2с).
ПСЦ 18.21.2,5-П-С Панели цокольные .
П- бетон на пористых заполнителях,
С- для строительства в сейсмических районах.