Ф 13.5

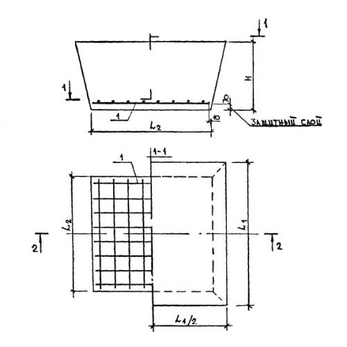
Чертеж изделия:
Характеристики изделия:
ПараметрЗначение
длина1500 мм
ширина1200 мм
высота600 мм
масса2725 кг
нормативный документСерия 1.090.1-1

Ф 13.5 Фундаменты Серия 1.090.1-1.