БШЛ 100-36 блок шахты лифта основной

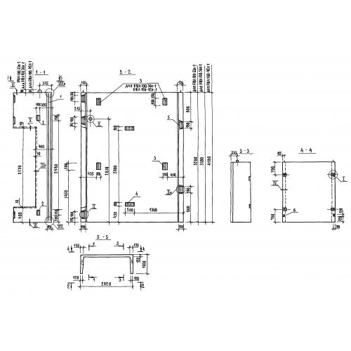
Чертеж изделия:
Характеристики изделия:
ПараметрЗначение
длина2820 мм
ширина1050 мм
высота3580 мм
масса4750 кг
нормативный документСерия 1.089.1-1

БШЛ 100-36 Блоки шахт лифтов Серия 1.089.1-1.