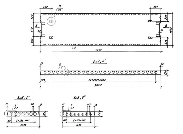
ПК 56.15 плиты связевые межколонные
Характеристики изделия:
| Параметр | Значение |
|---|---|
| длина | 5650 мм |
| ширина | 1490 мм |
| высота | 220 мм |
| масса | 2600 кг |
| нормативный документ | Серия 1.041.1-3 |
Цена:
Рассчитать стоимостьПК 56.15 Плиты связевые (межколонные) Серия 1.041.1-3.