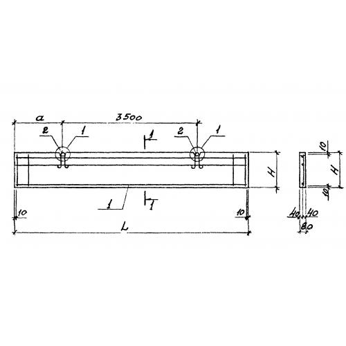
ПГ 60.6 панели перегородки

Чертеж изделия:
Характеристики изделия:
ПараметрЗначение
длина5980 мм
ширина80 мм
высота585 мм
масса670 кг
нормативный документСерия 1.030.9-2

ПГ 60.6   Перегородки панельные зданий промышленных и сельскохозяйстыенных предприятий Серия 1.030.9-2.