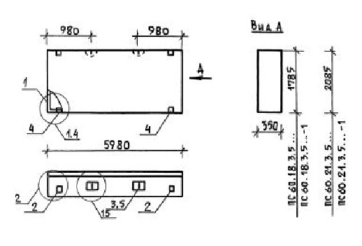
ПС 60.21.3.5 панели стеновые

Чертеж изделия:
Характеристики изделия:
ПараметрЗначение
длина5980 мм
ширина350 мм
высота2085 мм
масса6260 кг
нормативный документСерия 1.030.1-1/88

ПС 60.21.3.5  Панели стеновые Серия 1.030.1-1/88.