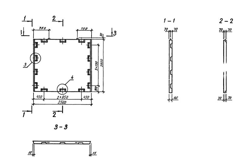
Д 26.29

Чертеж изделия:
Характеристики изделия:
ПараметрЗначение
длина2560 мм
ширина140 мм
высота2850 мм
масса2570 кг
нормативный документСерия 1.020.1-3пв

Д 26.29  Диафрагмы жесткости  Серия 1.020.1-3пв.