Д 22

Чертеж изделия:
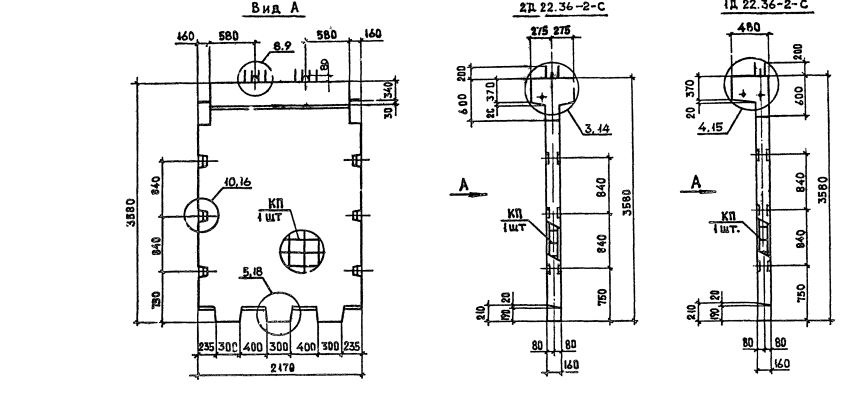
Характеристики изделия:
ПараметрЗначение
длина2170 мм
ширина480 мм
высота3580 мм
масса3200 кг
нормативный документСерия 1.020.1-2с/89

Д 22  Диафрагмы жесткости Серия 1.020.1-2с/89.