РДП 4.42

Чертеж изделия:
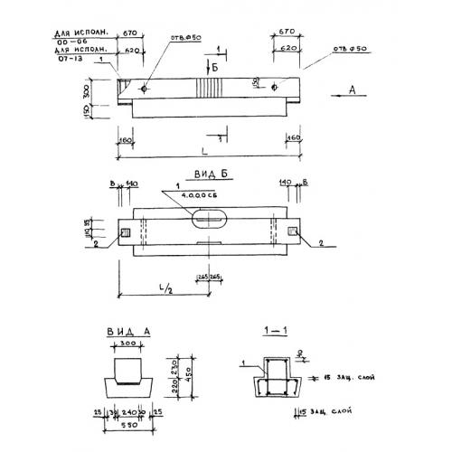
Характеристики изделия:
ПараметрЗначение
длина4160 мм
ширина550 мм
высота450 мм
масса1835 кг
нормативный документСерия 1.020-1

РДП 4.42  Ригели с двумя полками  Серия 1.020-1.