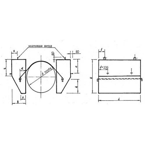
УБО 1220 утяжелители бетонные охватывающие

Чертеж изделия:
Характеристики изделия:
ПараметрЗначение
длина1350 мм
ширина600 мм
высота1400 мм
масса3701 кг
нормативный документПроект №999Б

УБО 1220 Утяжелители бетонные охватывающие Проект №999Б.