ТМ 3
Характеристики изделия:
| Параметр | Значение |
|---|---|
| длина | 220 мм |
| ширина | 501 мм |
| высота | 501 мм |
| масса | 21,6 кг |
| нормативный документ | ГОСТ 31416-2009 |
Цена:
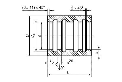
Рассчитать стоимостьТМ 3 Муфты хризотилцементные для напорных теплопроводов ГОСТ 31416-2009.
| Параметр | Значение |
|---|---|
| длина | 220 мм |
| ширина | 501 мм |
| высота | 501 мм |
| масса | 21,6 кг |
| нормативный документ | ГОСТ 31416-2009 |
ТМ 3 Муфты хризотилцементные для напорных теплопроводов ГОСТ 31416-2009.