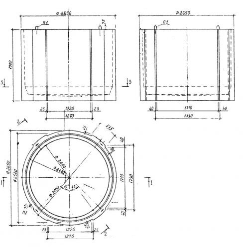
ВГ 25 рабочие камеры водопроводно-газовых колодцев

Чертеж изделия:
Характеристики изделия:
ПараметрЗначение
длина2650 мм
ширина2650 мм
высота1980 мм
масса5580 кг
нормативный документАльбом РК 2201-82

ВГ 25  Рабочие камеры водопроводных и газопроводных колодцев Альбом РК 2201-82.